Vorheriges Thema anzeigen :: Nächstes Thema anzeigen |
Autor |
Nachricht |
Maddes Gast
Land:
|
Verfasst am: So 23 Nov 14 02:44:46 Titel: Fernlicht GTV6 |
|
Hi Leute,
gerade checke ich die Elektrik meines GTV's durch. Das Fernlicht funktioniert nicht, an den Kabeln vorne kommt keine Spannung an! Meine Frage: Schaltet man mit dem Fernlichthebel ein Relay, das wiederum die Fernlichtlapmen mit Strom versorgt oder hängen diese direkt an dem Schalter. Ich vermute eher erstes, da bestimmt ein höherer Strom fließt, der nicht direkt durch den Schalter gesteuert wird. Wenn ein Relay angesteuert wird welches? So könnte ich mich auf die Suche machen!
Gruß
Maddes
|
|
Nach oben |
|
nakidei Gast
Land:
|
Verfasst am: So 23 Nov 14 23:04:57 Titel: |
|
Moin,
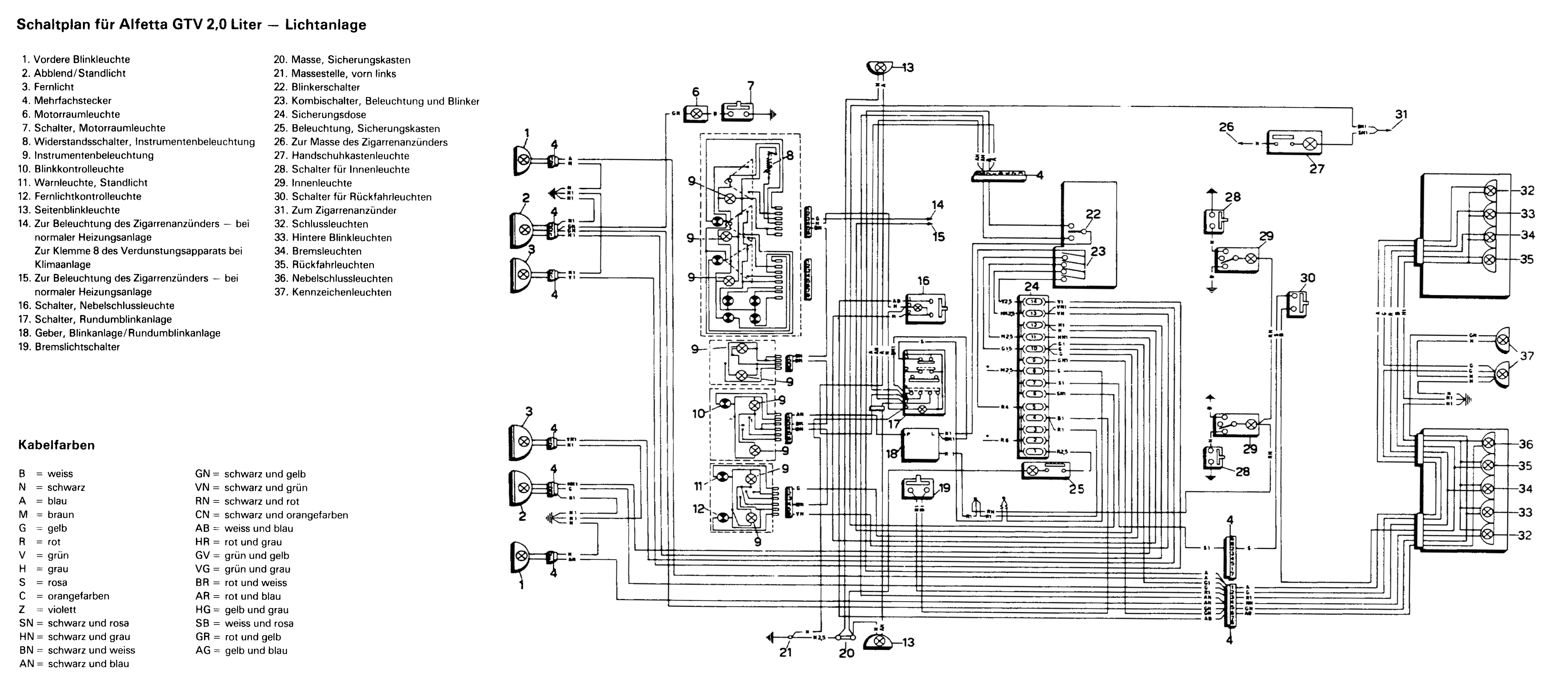
man schaltet kein Relais, sondern direkt. Kannst ja mal messen ob du an den entsprechenden Sicherungen Strom bekommst wenn du Fernlicht einschaltest.
Brauchst du Stromlaufpläne?
Viele Grüße
Dan
|
|
Nach oben |
|
nakidei Gast
Land:
|
Verfasst am: So 23 Nov 14 23:35:03 Titel: |
|
Das müssten Sicherung 13 (Links) und 14 (Rechts) sein. Wenn Abblendlicht geht ist zumindest die Leitung zum Lenkstockschalter OK.
Bei meinem habe ich Relais eingebaut, das hat etwas mehr als 1Volt an jedem Scheinwerfer gebracht.
Beschreibung: |
|
Dateigröße: |
1.2 MB |
Angeschaut: |
2747 mal |

|
|
|
Nach oben |
|
Maddes Gast
Land:
|
Verfasst am: Mo 24 Nov 14 00:07:04 Titel: |
|
Hi Leute,
danke für eure Hilfe. Ich habe heute mittag die Usache gefunden, die Kontakte am Sicherungshalter waren oxidiert.... Naja dies ist ein blöder Fehler aber an den alten Autos tritt ab und an mal so eine Fehlerform auf.
Danke für eure Hilfe!
Gruß
Maddes
|
|
Nach oben |
|
Tomboy Gast
Land:
|
Verfasst am: Mo 24 Nov 14 15:18:35 Titel: |
|
Hallo Maddes,
baue einfach ein Arbeits-Relais pro Scheinwerfer ein, das schont den Lenkstockschalter für die nächsten Jahre, hinter den Scheinwerfer Einsätzen müsste genug Platz sein um die unterzubringen.
Die Sicherungen im Sicherungskasten würde ich alle mal rausnehmen, die Kontakte mit einem Glasfaser Pinsel reinigen und ggf. mal die Kontakte der Sicherungen wieder nachbiegen, schadet nicht. Der Sicherungskasten ist so eine Fehlerquelle wo so manches Übel seinen Ursprung hat.
Gruß
Tom
|
|
Nach oben |
|
|